Web Analytics Made Easy - Statcounter

96 Chevy Blazer Wiring: Fix Your REPAIRS Today! (Easy Steps!) 2000 chevy blazer radio wiring diagram

If you are searching about 96 Chevy S10 Wiring Diagram - Ecoked you've visit to the right place. We have 25 Pics about 96 Chevy S10 Wiring Diagram - Ecoked like 2002 Chevy Blazer Wiring Diagram, Chevy Blazer Fuel Pump Wiring Diagram Wiring Diagram and also Winkler91's 96 chevy blazer project - Blazer Forum - Chevy Blazer Forums. Here it is:

96 Chevy S10 Wiring Diagram - Ecoked

96 Chevy S10 Wiring Diagram - Ecoked ecoked.blogspot.com

96 Chevy S10 Wiring Diagram - Ecoked

96 Chevy S10 Wiring Diagram - Ecoked ecoked.blogspot.com

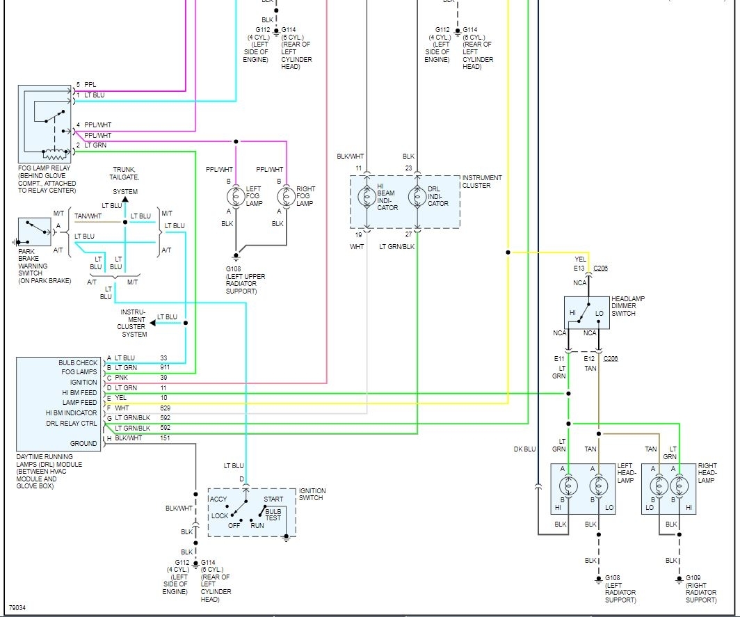
Wiring Diagram 1996 Chevy Blazer

Wiring Diagram 1996 Chevy Blazer diagramlibrarysuccoth.z13.web.core.windows.net

[DIAGRAM] 1992 Chevy S10 Blazer Wiring Diagram Horn - MYDIAGRAM.ONLINE

[DIAGRAM] 1992 Chevy S10 Blazer Wiring Diagram Horn - MYDIAGRAM.ONLINE mydiagram.online

2001 Chevy Blazer Wiring Diagram

2001 Chevy Blazer Wiring Diagram stewart-switch.com

2001 Chevy Blazer Wiring Diagram

2001 Chevy Blazer Wiring Diagram stewart-switch.com

Chevy Blazer Fuel Pump Wiring Diagram Wiring Diagram

Chevy Blazer Fuel Pump Wiring Diagram Wiring Diagram www.chevywiringdiagram.com

Complete Wiring Diagram For Chevy Blazer Revealed

Complete wiring diagram for Chevy Blazer revealed pulseplots.com

2001 Chevy Blazer Wiring Diagram | My Wiring DIagram

2001 Chevy Blazer Wiring Diagram | My Wiring DIagram detoxicrecenze.com

chevy blazer 2001 wiring diagram

96 Chevy Blazer Wiring Diagram - Goorganic

96 Chevy Blazer Wiring Diagram - Goorganic goorganic71.blogspot.com

96 Chevy Blazer Wiring Diagram - Goorganic

96 Chevy Blazer Wiring Diagram - Goorganic goorganic71.blogspot.com

Complete Wiring Diagram For Chevy Blazer Revealed

Complete wiring diagram for Chevy Blazer revealed pulseplots.com

01 Chevy Blazer Wiring Diagram

01 Chevy Blazer Wiring Diagram osburgyzw.pages.dev

[DIAGRAM] 1992 Chevy S10 Blazer Wiring Diagram Horn - MYDIAGRAM.ONLINE

[DIAGRAM] 1992 Chevy S10 Blazer Wiring Diagram Horn - MYDIAGRAM.ONLINE mydiagram.online

Wiring Diagram 1999 Chevy Blazer

Wiring Diagram 1999 Chevy Blazer wiringsickishly.z19.web.core.windows.net

2002 Chevy Blazer Wiring Diagram

2002 Chevy Blazer Wiring Diagram stewart-switch.com

Winkler91's 96 Chevy Blazer Project - Blazer Forum - Chevy Blazer Forums

Winkler91's 96 chevy blazer project - Blazer Forum - Chevy Blazer Forums blazerforum.com

blazer chevy project forum

2000 Chevy Blazer Radio Wiring Diagram

2000 Chevy Blazer Radio Wiring Diagram mungfali.com

Uncover The Wiring Diagram For The 2002 Chevy Blazer

Uncover the Wiring Diagram for the 2002 Chevy Blazer schempal.com

5 Ways To Understand 1999 Chevy Blazer 4x4 Wiring Diagram - AlphaDeltapi

5 Ways to Understand 1999 Chevy Blazer 4x4 Wiring Diagram - AlphaDeltapi support.alphadeltapi.org

96 Chevy Blazer Wiring Diagram - Goorganic

96 Chevy Blazer Wiring Diagram - Goorganic goorganic71.blogspot.com

Wiring Diagram 2000 Chevy Blazer - Wiring Diagram

Wiring Diagram 2000 Chevy Blazer - Wiring Diagram wiringdiagram.2bitboer.com

wiring diagram blazer chevy 2000 tccm engine

96 Chevy Blazer Wiring Diagram - Goorganic

96 Chevy Blazer Wiring Diagram - Goorganic goorganic71.blogspot.com

96 Chevy Blazer Wiring Diagram - Goorganic

96 Chevy Blazer Wiring Diagram - Goorganic goorganic71.blogspot.com

96 Chevy Blazer Wiring Diagram - Goorganic

96 Chevy Blazer Wiring Diagram - Goorganic goorganic71.blogspot.com

Chevy blazer fuel pump wiring diagram wiring diagram. Complete wiring diagram for chevy blazer revealed. Chevy blazer 2001 wiring diagram